7月27日,國家市場監督管理總局發布公告,正式批準GB 4544-2020《啤酒瓶》強制性國家標準發布。本標準代替GB 4544-1996《啤酒瓶》,與GB 4544-1996相比,主要技術變化如下:
———刪除了產品理化性能分等要求(見1996年版的4.2);
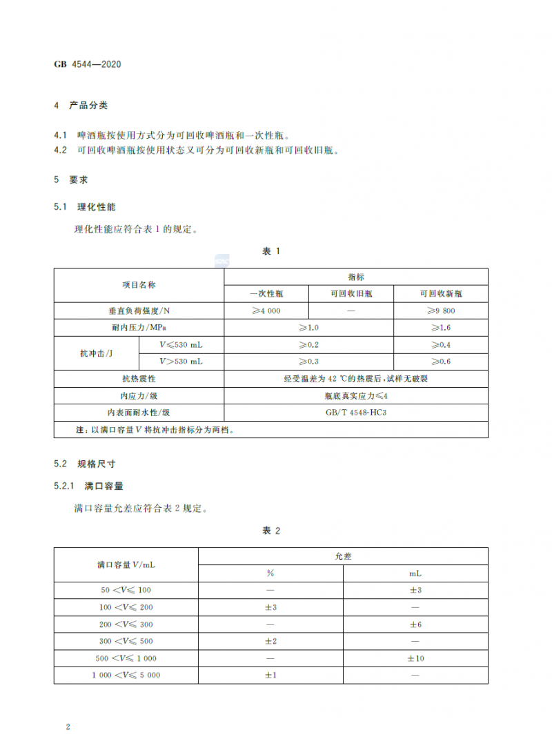
———修改了理化性能,將原標準附錄A 的內容直接放入標準正文,將產品分為一次性瓶、可回收新瓶和可回收舊瓶,并分別規定了理化性能指標,其中抗沖擊指標按啤酒瓶的滿口容量不同劃分為兩檔,以鼓勵啤酒瓶小型化(見5.1,1996年版的附錄A);
———修改了規格尺寸,不再單獨規定640mL 啤酒瓶的規格尺寸,只對可回收瓶瓶身和瓶底厚度的最小值作了規定,同時規定了所有產品的規格尺寸允差(見5.2,1996年版的4.3);
———增加了垂直負荷強度的試驗(見6.1.1);
———刪除了啤酒瓶回收使用期限,不再建議啤酒瓶兩年的回收使用期限,而更注重對可回收舊瓶使用過程中的質量監控(見第8章,1996年版的附錄B);
———增加了一次性瓶還應在每件產品的根部位置打上“NR”字樣(見9.1);
———增加了不可使用麻袋、捆扎等可能導致啤酒瓶質量下降的包裝的內容(見9.2)。













